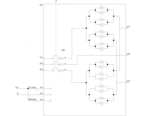
Беспредохранительная реверсивная фидерная сборка работает от 400 V AC. Типоразмер сборки – S00. Потребляемый ток составляет от 0.55 до 0.80 A. Мощность составляет 1.5 кВт. Для питания используется 24 V DC. Предусмотрены винтовые клеммы на адаптере. Сборка предназначена для монтажа на DIN-рейку. Тип координации – 1. IQ составляет 50k A.




