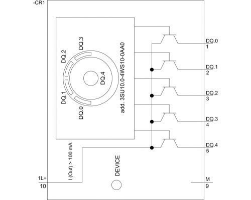
Модуль предназначен для переключателей с id-ключом. Работает от напряжения 24 В DC. Обеспечивается надежное соединение с помощью винтового зажима. Конструкция позволяет крепить модуль на переднюю панель или DIN-рейку. Настройка параметров осуществляется через конфигуратор sirius-act (cin) и включает выбор group-id в соответствии с требованиями заказчика. Цвет модуля - черный.




